La différence entre le refroidissement en une étape et le refroidissement en deux étapes dans la méthode de refroidissement du moût
Il existe une méthode de refroidissement en une étape et une méthode de refroidissement en deux étapes pour le refroidissement du moût. Habituellement, la méthode de refroidissement en deux étapes est la plus courante. Si l’on considère les aspects d’économie d’énergie et de contrôle, la méthode de refroidissement en une étape est de plus en plus utilisée.
Pour les brasseries d'une capacité supérieure à 2 000 L, nous recommanderons une méthode de refroidissement en une étape, et pour les brasseries d'une capacité inférieure à 2 000 L, nous recommanderons une méthode de refroidissement en deux étapes. Bien entendu, nous devons également répondre aux besoins spécifiques des clients.
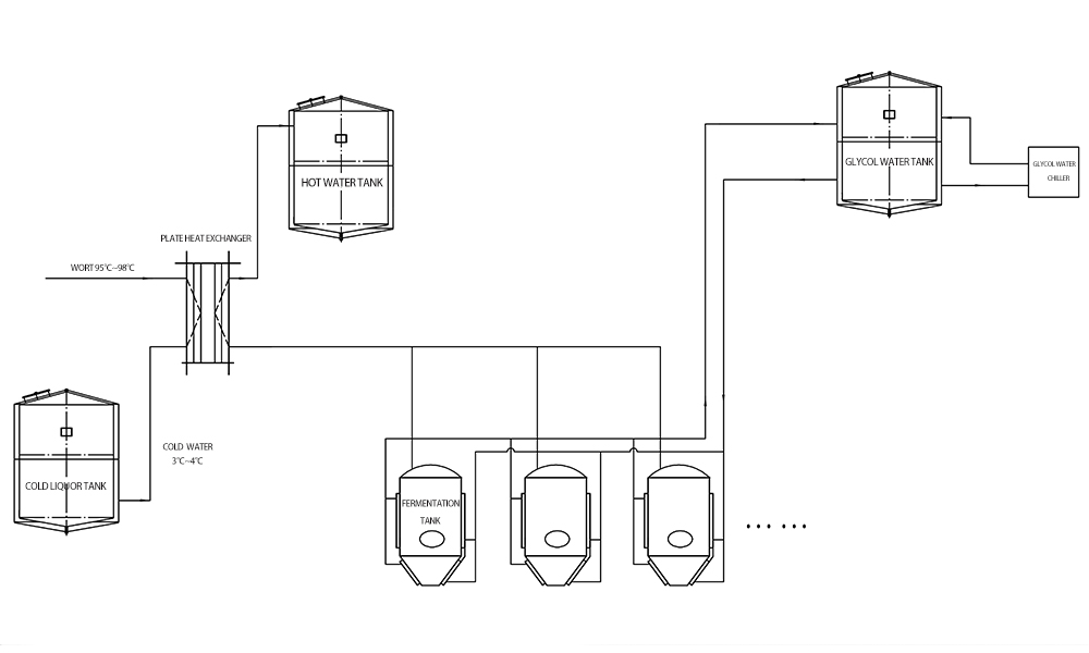
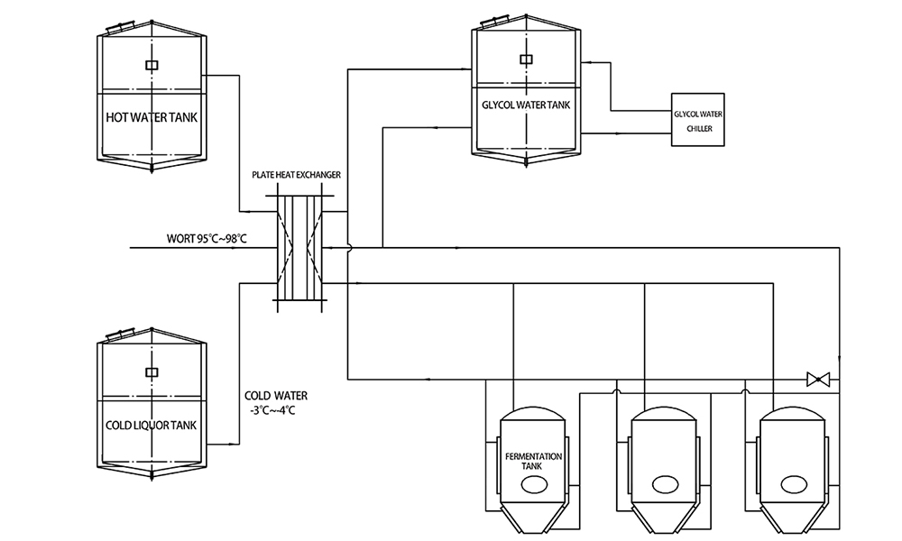
Deux étapes de refroidissement
L'échangeur thermique à plaques à deux étages est divisé en deux sections pour l'échange thermique. La partie avant utilise de l'eau froide pour le refroidissement. La température de l'eau de refroidissement est inférieure à 20°C. La température du moût sortant du décanteur giratoire est de 90°C~95°C. La température du moût refroidi descend à 40 ℃~50℃. Un réfrigérant (tel que de l'éthylène glycol ou une solution alcoolique) est utilisé pour la dernière étape du refroidissement. La température du réfrigérant pour la dernière étape du refroidissement est de -3℃~-4℃. La température du moût refroidi doit être abaissée à la température de fermentation, comme pour la fermentation de la bière blonde. La température est de 6 à 10 ℃ et la température de fermentation de la bière est de 16 à 18 ℃.
Une étape de refroidissement
Dans la première étape de refroidissement, l'eau de brassage est refroidie à 3 ℃ ~ 4 ℃ en utilisant la méthode de refroidissement direct à l'ammoniac, puis elle est échangée avec le moût chaud dans un échangeur de chaleur unique dans l'échangeur de chaleur à plaques. Pendant que le moût est refroidi à la température de fermentation, l'eau glacée est chauffée à environ 75 ℃ ~ 80 ℃, cette eau peut être utilisée directement comme eau de lavage.

La différence entre les deux
La deuxième étape du refroidissement en deux étapes est le réfrigérant, qui échange de la chaleur avec le moût chaud à une température supérieure à la température locale de l'eau ; tandis que la première étape du refroidissement consiste à geler l'eau de brassage locale.
Les principaux avantages du refroidissement en une étape sont
R. La première étape de refroidissement utilise l'eau de brassage comme réfrigérant, sans qu'il soit nécessaire d'utiliser de l'alcool ou de l'éthylène glycol.
Par rapport au refroidissement à deux étages, la température de l'eau chaude dans le refroidissement à l'étage B est beaucoup plus élevée et le taux d'utilisation de l'énergie thermique de la chambre de saccharification est considérablement amélioré.
C. Pendant l'opération de refroidissement en deux étapes, l'eau et le réfrigérant doivent être utilisés en même temps. La température change considérablement pendant le processus de refroidissement et n'est pas facile à stabiliser ; tandis que dans le refroidissement en une étape, seule de l'eau glacée est utilisée comme réfrigérant pendant le processus de refroidissement. Les paramètres des médias froids et chauds Fonctionnement immuable, stable et facile à contrôler.
Étant donné que la différence logarithmique moyenne de température entre les fluides froids et chauds dans le refroidissement à étage D est plus petite que celle du refroidissement à deux étages, la surface d'échange thermique doit être augmentée de 45 % par rapport au refroidissement à deux étages. Cependant, comme il n’y a pas de charge de pointe dans une étape de refroidissement, la charge du réfrigérateur est relativement légère et la capacité installée est faible.
E. Généralement, le refroidissement en une étape peut économiser 30 à 40 % d'électricité par rapport au refroidissement en deux étapes.
Ce qui précède concerne les méthodes de refroidissement du moût. Si vous souhaitez en savoir plus, veuillez contacter Tiantai.










Obtenir un devis